详细介绍
预埋件(连接橡胶护舷与码头)
1. 新建码头

规格 | 1.螺栓 | 2. 预埋螺母 3. 地脚杆4. 地脚板 | 5.垫片 | |||||||||||||||
D | H | J | S | e | a | b | L | T | G | m | N | n | P | Q | U | R | V | |
SC800 | 32 | 22 | 85 | 70 | 42 | 85 | 120 | 360 | 9 | 80 | 70 | 24 | 117 | 35 | 77 | 5 | 15 | 36 |
SC1000 | 39 | 26 | 95 | 75 | 50 | 85 | 125 | 430 | 9 | 85 | 80 | 26 | 148 | 40 | 102 | 6 | 15 | 43 |
SC1150 | 42 | 26 | 100 | 80 | 55 | 85 | 125 | 500 | 12 | 90 | 85 | 28 | 151 | 43 | 102 | 6 | 25 | 46 |
SC1250 | 45 | 30 | 110 | 90 | 60 | 95 | 140 | 500 | 12 | 110 | 90 | 31 | 153 | 45 | 102 | 6 | 25 | 49 |
SC1450 | 52 | 35 | 120 | 95 | 70 | 100 | 150 | 570 | 12 | 120 | 100 | 31 | 158 | 50 | 102 | 6 | 30 | 56 |
SC1600 | 52 | 35 | 135 | 95 | 70 | 100 | 150 | 570 | 12 | 120 | 100 | 34 | 158 | 50 | 102 | 6 | 30 | 56 |
SC1700 | 56 | 35 | 135 | 110 | 75 | 105 | 165 | 620 | 16 | 125 | 110 | 38 | 165 | 55 | 102 | 8 | 30 | 63 |
SC2000 | 64 | 40 | 150 | 125 | 80 | 125 | 190 | 700 | 16 | 130 | 116 | 40 | 168 | 58 | 102 | 8 | 40 | 70 |
SC2250 | 64 | 40 | 150 | 125 | 80 | 125 | 190 | 700 | 16 | 130 | 120 | 43 | 195 | 60 | 127 | 8 | 40 | 70 |
SC2500 | 64 | 40 | 170 | 125 | 80 | 125 | 190 | 700 | 16 | 130 | 125 | 50 | 202 | 65 | 127 | 10 | 50 | 70 |
SC3000 | 76 | 50 | 190 | 145 | 95 | 135 | 210 | 800 | 19 | 155 | 140 | 55 | 207 | 70 | 127 | 10 | 50 | 84 |
2.码头维修

规格型号 | MD | 螺母 | 垫片 | 树脂螺栓 | ||||||||
H | m | N | n | P | U | V | R | a | L | A | ||
SC800 | M24 | 22 | 65 | 25 | 117 | 35 | 5 | 28 | 15 | 65 | 280 | 30 |
SC1000 | M30 | 26 | 80 | 26 | 148 | 40 | 6 | 34 | 25 | 75 | 360 | 38 |
SC1150 | M36 | 30 | 85 | 28 | 151 | 43 | 6 | 40 | 25 | 90 | 440 | 46 |
SC1250 | M36 | 30 | 90 | 30 | 153 | 45 | 6 | 40 | 30 | 95 | 440 | 46 |
SC1450 | M42 | 34 | 100 | 34 | 158 | 50 | 6 | 46 | 30 | 100 | 510 | 55 |
SC1600 | M42 | 34 | 100 | 34 | 158 | 50 | 6 | 46 | 30 | 100 | 510 | 55 |
SC1700 | M42 | 34 | 105 | 40 | 165 | 55 | 8 | 46 | 30 | 110 | 510 | 55 |
SC2000 | M48 | 38 | 115 | 40 | 170 | 60 | 8 | 52 | 40 | 120 | 600 | 60 |
SC2250 | M56 | 45 | 115 | 40 | 195 | 60 | 8 | 60 | 40 | 130 | 700 | 65 |
SC2500 | M56 | 45 | 115 | 50 | 197 | 60 | 10 | 80 | 50 | 145 | 700 | 65 |
SC3000 | M56 | 45 | 140 | 55 | 182 | 70 | 10 | 60 | 50 | 160 | 900 | 65 |
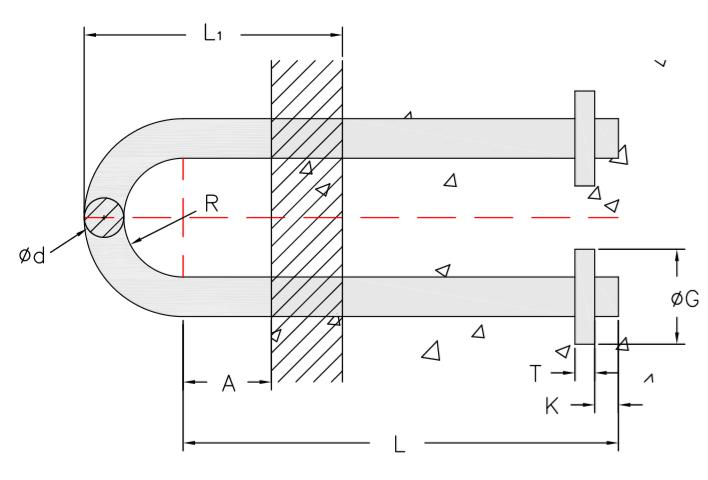
U型环

规格 | d | R | L1 | A | L | T | K | G |
SC800 | 50 | 75 | 250 | 70 | 650 | 30 | 30 | 120 |
SC1000 | 60 | 75 | 250 | 70 | 750 | 30 | 30 | 120 |
SC1150 | 60 | 75 | 250 | 70 | 750 | 30 | 30 | 120 |
SC1250 | 60 | 90 | 250 | 70 | 790 | 30 | 30 | 120 |
SC1450 | 60 | 90 | 250 | 70 | 850 | 30 | 30 | 120 |
SC1600 | 60 | 90 | 250 | 70 | 900 | 30 | 30 | 120 |
SC1700 | 70 | 90 | 250 | 70 | 1100 | 30 | 30 | 120 |
SC2000 | 70 | 90 | 250 | 70 | 1220 | 30 | 30 | 130 |
SC2250 | 80 | 120 | 300 | 70 | 1300 | 30 | 30 | 160 |
SC2500 | 80 | 120 | 300 | 70 | 1400 | 30 | 30 | 160 |
SC3000 | 90 | 130 | 320 | 80 | 1500 | 30 | 30 | 180 |
链条

规格型号 | 卸扣 | 链环 | 螺旋扣 |
SC800 | M25 | Ø25 | M36 |
SC1000 | M32 | Ø28 | M39 |
SC1150 | Ø32 | M42 | |
SC1250 | M36 | Ø34 | M45 |
SC1450 | M38 | Ø36 | M48 |
SC1600 | Ø38 | M52 | |
SC1700 | M42 | Ø40 | M56 |
SC2000 | M45 | Ø42 | |
SC2250 | |||
SC2500 | M50 | Ø46 | M60 |
SC3000 |
弹簧链

规格型号 | 卸扣 | 链环 | 橡胶弹簧框架 | 橡胶弹簧块 | 螺旋扣 |
SC800 | M25 | Φ25 | Φ32 | 100×100×150 | M36 |
SC1000 | M28 | Φ28 | Φ32 | 100×100×150 | M36 |
SC1150 | M28 | Φ28 | Φ32 | 100×100×150 | M36 |
SC1250 | M28 | Φ28 | Φ32 | 100×100×150 | M36 |
SC1450 | M30 | Φ30 | Φ32 | 100×100×150 | M36 |
SC1600 | M30 | Φ30 | Φ42 | 150×150×200 | M42 |
SC1700 | M34 | Φ34 | Φ42 | 150×150×200 | M42 |
SC2000 | M36 | Φ36 | Φ42 | 150×150×200 | M48 |
SC2250 | M36 | Φ36 | Φ42 | 150×150×200 | M48 |
SC2500 | M38 | Φ40 | Φ52 | 150×150×200 | M52 |
SC3000 | M42 | Φ42 | Φ52 | 150×150×200 | M56 |

